Χιόνι Χριστούγεννα και σκι. Ποιοι είναι οι πιο συχνοί τραυματισμοί
Ο χειμώνας έχει ήδη φτάσει και το κρύο χαμηλώνει την θερμοκρασία. Οι χειμερινές διακοπές και αποδράσεις είναι συνδυασμένες με...
Ο χειμώνας έχει ήδη φτάσει και το κρύο χαμηλώνει την θερμοκρασία. Οι χειμερινές διακοπές και αποδράσεις είναι συνδυασμένες με...
Όσο εξελίσσεται η τεχνολογία τόσο πιο εύκολα μπορούν να αντιμετωπιστούν διάφορες ασθένειες που ταλαιπωρούν πολύ κόσμο. Για παράδειγμα με...
Η ρευματοειδής αρθρίτιδα εξαρτάται σε μεγάλο ποσοστό από την κληρονομικότητα. Όμως υπάρχουν παράγοντες που επιδεινώνουν ή επιταχύνουν την ανάπτυξη...
Τι είναι το “κότσι” ή βλαισός μέγας δάκτυλος ή Hallux Valgus, σίγουρα το έχετε δει σε πολλά πόδια. Εκτός...
Μια ρευματική πάθηση που θα την αφήσουμε να μας απασχολεί δίχως να πάμε στον κατάλληλο γιατρό, θα επιδεινωθεί και...
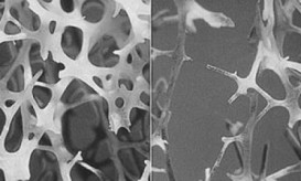
Ιδιαίτερα ακριβή αποδεικνύεται για το σύστημα υγείας η διαχείριση της οστεοπόρωσης και κυρίως των καταγμάτων που οφείλονται σε αυτή,...